使用條件:
環(huán)境溫度: 0℃ -40℃ 。
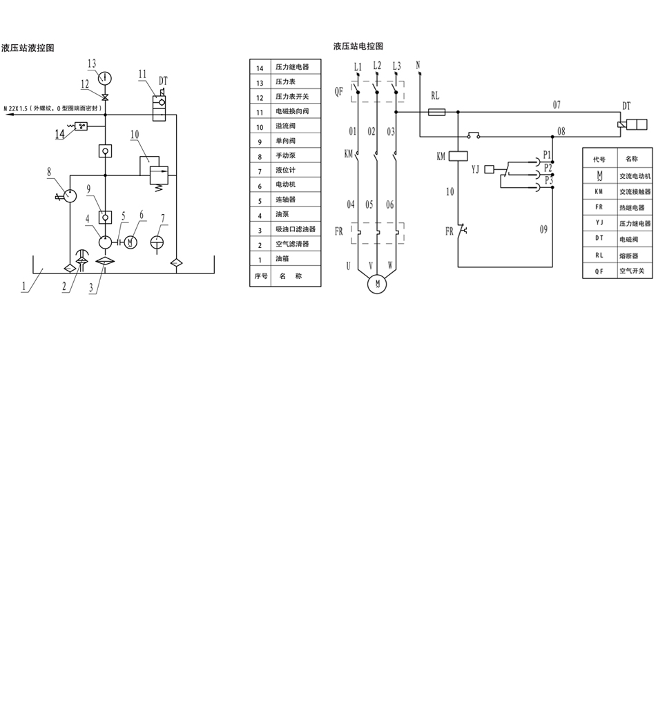
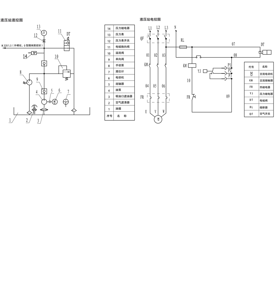
液壓站驅動電源:一般用于三相AC380V 、50Hz(如需其它電壓,請訂貨時事先說明) 。
液壓站控制電源: AC220V 、50Hz
限位開關電源: AC125V -250V。
適用的工作方式: 間斷式,短時作用、較低頻率。
產品詳情

型號意義

技術參數及外形尺寸表
單位:(mm)
型號 | 夾緊力 (KN) | A | B | C | N-OD | E | F | G | H | J | L |
YJGQ-16 | 160 | 820 | 870 | 630 | 6-026 | 790 | 110 | 80 | 80 | >310 | 650 |
YJGQ-20 | 200 | 820 | 870 | 630 | 6-026 | 790 | 110 | 80 | 80 | >310 | 650 |
YJGQ-25 | 250 | 930 | 890 | 720 | 8-030 | 835 | 97 | 70 | 93 | >380 | 650 |
YJGQ-31 | 315 | 930 | 890 | 720 | 8-0 30 | 835 | 97 | 70 | 93 | >380 | 650 |
YJGQ-40 | 400 | 1100 | 1100 | 830 | 8-CD 33 | 1050 | 125 | 100 | 100 | >410 | -705 |
YJGQ-60 | 600 | 1250 | 1250 | 830 | 8-040 | 1100 | 125 | 100 | 100 | >430 | ?705 |
注: 結構外形尺寸保留更改的權利。夾軌器防滑力=2 x夾緊力x μ( 摩擦系數, μ 一般取0 . 25 )
夾軌器與鋼軌液壓站配套表 單位:(mm)
夾軌器型號 | YJGQ-16 | YJGQ-20 | YJGQ-25 | YJGQ-31 | YJGQ-40 | YJGQ-60 |
鋼軌型號 | Qu100、Qu80、Qu70、P50 | Qu80、 Qu100、 Qu120 | Qu120 | |||
匹配液壓站 | YZ(J)-13-4 | YZ(J)-10-6 | YZ(J)-13-6 | YZ(J)-14-9 | YZ(J)-14-9 | YZ(J)-15-10 |

豫公網安備41082302411061號

